編輯:北京凌鷹起重 瀏覽:5155 時間:2014-11-04
1981年我們提出了一種加長軸式“雙鉤同步起吊電動葫蘆“設計方案。這種方案以國產cD、MD型電動葫蘆為基礎。但這種電動葫蘆的低速軸只能在一端與卷筒相連,另一端不能出軸(見圖1)。
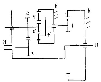
圖2是其傳動原理:主動輪a帶動從動輪喲,e為三個行星輪,一方面自轉,同時也繞,軸作公轉。
它的公轉牽動了轉臂H,使H繞中心軸旋轉。H轉動的速度還與e相連的齒輪f有關,二它一方面與e繞中心軸回轉,并牽動k,f。『的自轉又使q除了其本身的自轉外,還要繞e’周轉。而f’的周轉又是f的自轉。由于b不動,因此f一旦轉動,就要發生沿b圓尸方向的公轉。這樣又牽動轉臂H的轉動。因此轉臂H的轉動,受到齒輪e與齒輪f公轉的合成影響。由于轉臂橫貫整個構,在兩端都能輸出,因此使一個減速器的兩端都連接卷筒成為可能。在這種雙輸出共軸減速器設計中,為了適應頻繁起、制動,提高了傳動比,適當地增大了輸出軸扭矩。設計貫徹了JB2100一2101一84《CD、MD電動葫蘆技術條件》和GB381一83《起重機設計規范》,同時參照了歐洲物料搬運協會《起重機設計規范》。
上一條: 如何提高風電葫蘆運行的穩定性?
下一條: 一種新型的環鏈電動葫蘆平衡結構介紹

